Lubang Aluminium

Lubang Aluminium

Di sini, di kilang Dongguan kami, Nuote Metals menghasilkan eyelet aluminium berkualiti. Kami telah memberi tumpuan kepada membuat lubang aluminium selama bertahun-tahun. Aluminium kami dipilih dengan teliti untuk menjadi ringan dan kuat. Lubang aluminium ini tidak akan berkarat, dan ia mengekalkan kemasan cerahnya. Kami menawarkan eyelet aluminium dalam pelbagai saiz. Ada yang kecil, yang lain agak besar. Setiap lubang aluminium diperiksa oleh kakitangan kami. Mereka memeriksa bentuk dan permukaan. Pelanggan sering memilih lubang aluminium kami. Mereka mendapati mereka boleh dipercayai dan tampan. Kami menyediakan sampel cepat untuk mereka yang ingin mencubanya.

Hantar Pertanyaan

Penerangan Produk

pengenalan

Lubang aluminium ialah cincin kecil yang diperbuat daripada aluminium. Ia membantu menguatkan lubang pada fabrik atau bahan lain. Lubang aluminium adalah lebih ringan daripada kebanyakan lubang mata logam. Ini menjadikan mereka mudah dikendalikan dan dihantar. Mereka menjaga tepi lubang daripada haus dan lusuh. Apabila tali atau kord ditarik, bahan itu kekal utuh. Lubang aluminium menahan air dan tidak akan menghakis. Penamat mereka kekal cerah dari semasa ke semasa. Alat penekan mudah digunakan untuk menetapkan lubang aluminium. Setelah ditekan ke tempatnya, ia kekal selamat dan tidak longgar.


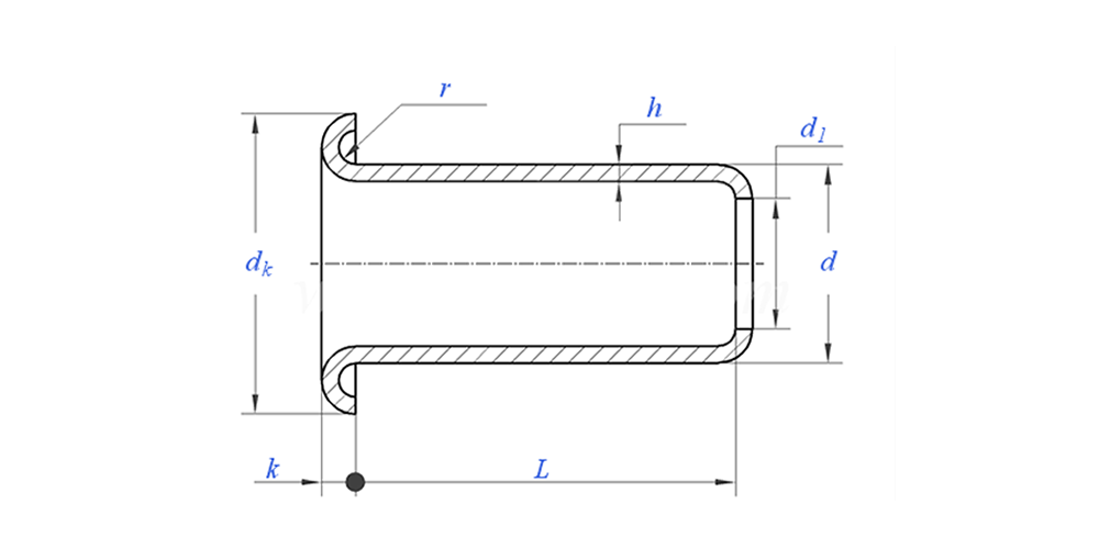
Parameter Eyelet Aluminium (Spesifikasi)



bahan aluminium
Rawatan Permukaan Bersih, penyaduran zink, penyaduran nikel, penyaduran perak, seperti yang diminta
Sijil mematuhi Rohs
Diameter Batang 0.8-10mm
Toleransi +/-0.05mm
Permohonan Sesuai digunakan dalam pelbagai industri, termasuk fabrik, khemah, kanvas dll.
Kawalan Kualiti 100% pemeriksaan keseluruhan rangkaian melalui pengeluaran memastikan setiap produk memenuhi piawaian ISO, menjamin produk berkualiti tinggi.



Lukis aluminium melukis seperti di bawah:

Pertunjukan permohonan:


Ciri Dan Aplikasi Aluminium Eyelets

Lubang aluminium mempunyai banyak kegunaan harian. Ia ditemui dalam kasut dan but ringan untuk tali. Jaket hujan dan windbreaker menggunakannya untuk tali tudung. Beg tote dan beg galas selalunya mempunyai eyelet aluminium. Khemah perkhemahan dan tarps mungkin termasuk mereka untuk guylines. Peralatan sukan seperti bendera dan panji juga menggunakan lubang aluminium. Sesetengah sarung pelindung dan penutup juga bergantung padanya. Lubang aluminium ini membantu memastikan produk berfungsi dan kemas. Pelanggan kami memilih eyelet aluminium kami kerana ia ringan dan bebas karat. Kami berbangga dalam membuat lubang kecil aluminium yang tahan lama di Dongguan.


aluminium eyelets Butiran Pengeluaran

Maklumat pembungkusan

Soalan Lazim:

S1: Apakah MOQ anda untuk eyelet aluminium?

MOQ untuk rivet ialah 20,000pcs.


S2: Bolehkah anda menyesuaikan pembuatan dengan lukisan kami?

Ya, kebanyakan rivet tiub kami dibuat khusus dengan lukisan pelanggan.


S3: Bolehkah anda memberikan sampel percuma rivet berongga?

Kami boleh menyediakan sampel percuma untuk saiz yang kami ada dalam stok, Tetapi pelanggan akan membayar caj Ekspres.


S4: Apakah Masa Penghantaran anda?

Saiz Rivet dalam stok: 3-5days, Rivet bukan standard: 15-25days. Kami akan membuat penghantaran secepat mungkin dengan jaminan kualiti.


S5: Kualiti produk anda?

Syarikat itu mempunyai peralatan pengeluaran dan ujian yang maju.Setiap produk akan diperiksa 100% oleh jabatan QC kami sebelum penghantaran.


S6: Mengapa kami memilih Teknologi Nuote?

1.Kami Nuote menghormati syarat pelanggan untuk melindungi projek privasi pelanggan.

2. Berkualiti tinggi dengan harga yang menarik

3. Masa utama yang cepat

4. Selamat berurusan dan jujur ​​kepada pelanggan dan rakan kongsi

5. Iklan jualan profesional menjawab pertanyaan anda dengan 8 jam.

6. Produk dan perkhidmatan Nuote dijual kepada lebih daripada 70 negara dengan reputasi yang baik


Teg Panas: Aluminium Eyelets, Aluminium Eyelets China, Aluminium Eyelets Pengeluar
Kategori Berkaitan
Hantar Pertanyaan
Sila berasa bebas untuk memberikan pertanyaan anda dalam borang di bawah. Kami akan membalas anda dalam masa 24 jam.
Produk Berkaitan
X
Kami menggunakan kuki untuk menawarkan anda pengalaman menyemak imbas yang lebih baik, menganalisis trafik tapak dan memperibadikan kandungan. Dengan menggunakan tapak ini, anda bersetuju dengan penggunaan kuki kami. Dasar Privasi