SS Eyelets

SS Eyelets

Kami adalah Nuote Metals dari Dongguan. Kilang kami membuat lubang ss yang kuat setiap hari. SS bermaksud keluli tahan karat. Lubang ss ini tidak mudah berkarat. Kami menggunakan keluli tahan karat yang baik untuk membuatnya. Mata ss kami datang dalam pelbagai saiz. Ada yang kecil untuk barang ringan. Ada yang besar untuk kegunaan berat. Setiap lubang ss diperiksa oleh pasukan kami. Mereka melihat pada kemasan dan bentuknya. Ramai pelanggan memilih ss eyelets kami. Mereka suka bahawa mereka bertahan lama dan kekal berkilat. Kami boleh membuat sampel dengan cepat untuk pesanan baru.

Hantar Pertanyaan

Penerangan Produk

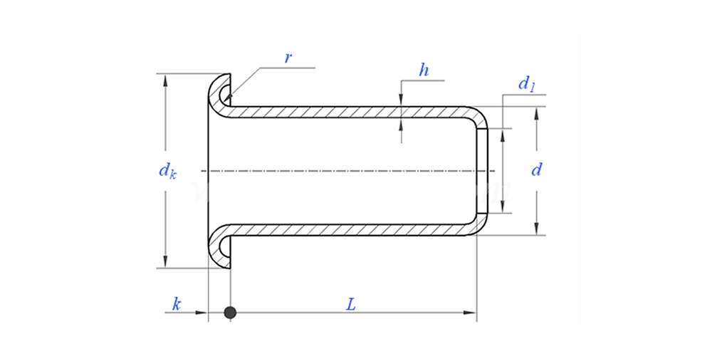
SS Eyelets Pengenalan

Eyelet SS ialah gelang logam yang diperbuat daripada keluli tahan karat. Mereka membuat lubang pada bahan lebih kuat. Lubang ss ini berfungsi dengan baik di tempat basah. Hujan atau kelembapan tidak merosakkannya. Mereka mengekalkan kekuatan mereka selama bertahun-tahun. Untuk memasang lubang ss, anda memerlukan mesin penekan. Mesin meletakkan lubang ss ke dalam bahan. Kemudian ia duduk ketat dan tidak bergerak. Ini menjadikan produk bersedia untuk keadaan yang sukar.


lukisan seperti di bawah:


Parameter SS Eyelets (Spesifikasi)


bahan keluli tahan karat
Rawatan Permukaan Bersih, penyaduran zink, penyaduran nikel, penyaduran perak, seperti yang diminta
Sijil mematuhi Rohs
Diameter Batang 0.8-10mm
Toleransi +/-0.05mm
Permohonan Sesuai untuk digunakan dalam pelbagai industri, termasuk automotif, aeroangkasa, elektrik dan elektronik, dll.
Kawalan Kualiti 100% pemeriksaan keseluruhan rangkaian melalui pengeluaran memastikan setiap produk memenuhi piawaian ISO, menjamin produk berkualiti tinggi.



Ciri Dan Aplikasi SS Eyelets

Eyelet SS digunakan dalam banyak perkara. Peralatan luar seperti khemah menggunakan ss eyelets untuk tali. Beg dan kasut memerlukannya untuk tali dan tali. Tirai dapur kadang-kadang mempunyai lubang ss juga. Pakaian kerja dan pakaian seragam menggunakan ss eyelets untuk ketahanan. Bot dan barangan marin memerlukan ss eyelets kerana ia tahan air masin. Malah beberapa alatan dan peralatan menggunakan lubang ss. ss eyelets ini membantu produk kekal kukuh dan kemas. Pelanggan kami mempercayai mata ss kami untuk projek mereka. Mereka tahu mata ikan ini tidak akan berkarat atau pecah. Kami berbangga untuk membuat lubang ss yang bagus di Dongguan.


Butiran SS Eyelets

Maklumat pembungkusan SS Eyelets

Soalan Lazim:

S1: Apakah MOQ anda untuk mata ikan keluli tahan karat?

MOQ untuk rivet ialah 20,000pcs.


S2: Bolehkah anda menyesuaikan pembuatan dengan lukisan kami?

Ya, kebanyakan rivet tiub kami dibuat khusus dengan lukisan pelanggan.


S3: Bolehkah anda memberikan sampel percuma rivet berongga?

Kami boleh menyediakan sampel percuma untuk saiz yang kami ada dalam stok, Tetapi pelanggan akan membayar caj Ekspres.


S4: Apakah Masa Penghantaran anda?

Saiz Rivet dalam stok: 3-5days, Rivet bukan standard: 15-25days. Kami akan membuat penghantaran secepat mungkin dengan jaminan kualiti.


S5: Kualiti produk anda?

Syarikat itu mempunyai peralatan pengeluaran dan ujian yang maju.Setiap produk akan diperiksa 100% oleh jabatan QC kami sebelum penghantaran.


S6: Mengapa kami memilih Teknologi Nuote?

1.Kami Nuote menghormati syarat pelanggan untuk melindungi projek privasi pelanggan.

2. Berkualiti tinggi dengan harga yang menarik

3. Masa utama yang cepat

4. Selamat berurusan dan jujur ​​kepada pelanggan dan rakan kongsi

5. Iklan jualan profesional menjawab pertanyaan anda dengan 8 jam.

6. Produk dan perkhidmatan Nuote dijual kepada lebih daripada 70 negara dengan reputasi yang baik


Teg Panas: SS Eyelets, Eyelets Kilang China, SS Eyelets Pengeluar SS Eyelets
Kategori Berkaitan
Hantar Pertanyaan
Sila berasa bebas untuk memberikan pertanyaan anda dalam borang di bawah. Kami akan membalas anda dalam masa 24 jam.
X
Kami menggunakan kuki untuk menawarkan anda pengalaman menyemak imbas yang lebih baik, menganalisis trafik tapak dan memperibadikan kandungan. Dengan menggunakan tapak ini, anda bersetuju dengan penggunaan kuki kami. Dasar Privasi