Lubang langsir direka untuk kedua-dua rupa dan fungsi. Ia mempunyai permukaan dalaman yang licin yang membolehkan batang tirai melepasi dengan mudah. Ini menjadikan membuka dan menutup langsir sangat mudah. Lubang mata juga direka untuk mengekalkan bentuknya dengan baik, menghalangnya daripada bengkok keluar dari bentuk dari semasa ke semasa. Kekuatan ini merupakan ciri utama mata ikat langsir berkualiti baik.
| bahan | Loyang, keluli, aluminium, keluli tahan karat, tembaga |
| Rawatan Permukaan | Bersih, penyaduran zink, penyaduran nikel, penyaduran perak, seperti yang diminta |
| Sijil | mematuhi Rohs |
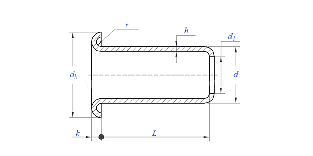
| Diameter Batang | 0.8-10mm |
| Toleransi | +/-0.05mm |
| Permohonan | Sesuai untuk digunakan dalam pelbagai industri, termasuk automotif, aeroangkasa, elektrik dan elektronik, dll. |
| Kawalan Kualiti | 100% pemeriksaan keseluruhan rangkaian melalui pengeluaran memastikan setiap produk memenuhi piawaian ISO, menjamin produk berkualiti tinggi. |
Kegunaan utama untuk lubang langsir, tentu saja, dalam menggantung langsir. Mereka mencipta lipatan dalam dan elegan dalam fabrik, memberikan rupa yang sangat kontemporari kepada mana-mana bilik. Oleh kerana lubang mata langsir meluncur begitu lancar pada batang, ia memerlukan sedikit usaha untuk membuka atau menutup langsir. Sistem mudah ini menjadikan mata ikat langsir pilihan yang popular dan praktikal untuk ramai orang hari ini.

S1: Apakah MOQ anda untuk lubang langsir?
MOQ untuk rivet ialah 20,000pcs.
S2: Bolehkah anda menyesuaikan pembuatan dengan lukisan kami?
Ya, kebanyakan rivet tiub kami dibuat khusus dengan lukisan pelanggan.
S3: Bolehkah anda memberikan sampel percuma rivet berongga?
Kami boleh menyediakan sampel percuma untuk saiz yang kami ada dalam stok, Tetapi pelanggan akan membayar caj Ekspres.
S4: Apakah Masa Penghantaran anda?
Saiz Rivet dalam stok: 3-5days, Rivet bukan standard: 15-25days. Kami akan membuat penghantaran secepat mungkin dengan jaminan kualiti.
S5: Kualiti produk anda?
Syarikat itu mempunyai peralatan pengeluaran dan ujian yang maju.Setiap produk akan diperiksa 100% oleh jabatan QC kami sebelum penghantaran.
S6: Mengapa kami memilih Teknologi Nuote?
1.Kami Nuote menghormati syarat pelanggan untuk melindungi projek privasi pelanggan.
2. Berkualiti tinggi dengan harga yang menarik
3. Masa utama yang cepat
4. Selamat berurusan dan jujur kepada pelanggan dan rakan kongsi
5. Iklan jualan profesional menjawab pertanyaan anda dengan 8 jam.
6. Produk dan perkhidmatan Nuote dijual kepada lebih daripada 70 negara dengan reputasi yang baik