Eyelet Dan Pencuci

Eyelet Dan Pencuci

Anda boleh menemui lubang mata dan mesin basuh dalam banyak barangan harian. Ia adalah bahagian logam kecil. Lubang adalah seperti cincin kecil, dan mesin basuh adalah cakera rata. Mereka ditekan bersama untuk mencipta lubang yang kuat dan licin dalam bahan seperti fabrik atau plastik. Ini menghalang bahan daripada koyak. Di China, Nuote Metals membuat bahagian yang kecil tetapi berguna ini. kami menghasilkan banyak jenis lubang dan mesin basuh untuk kerja yang berbeza.

Hantar Pertanyaan

Penerangan Produk

Pengenalan eyelet dan mesin basuh

Apa yang menjadikan lubang dan mesin basuh sangat berguna ialah betapa mudahnya ia. Anda meletakkan lubang melalui lubang pada bahan. Kemudian, anda letakkan mesin basuh di belakang. Sebuah mesin menekan mereka, memerah kepingan bersama-sama. Ini mengunci bahan rapat di antaranya. Hasilnya adalah lubang yang bersih dan kuat yang tidak mudah haus. Oleh kerana reka bentuk yang ringkas ini, lubang mata dan mesin basuh adalah penyelesaian yang sangat boleh dipercayai.


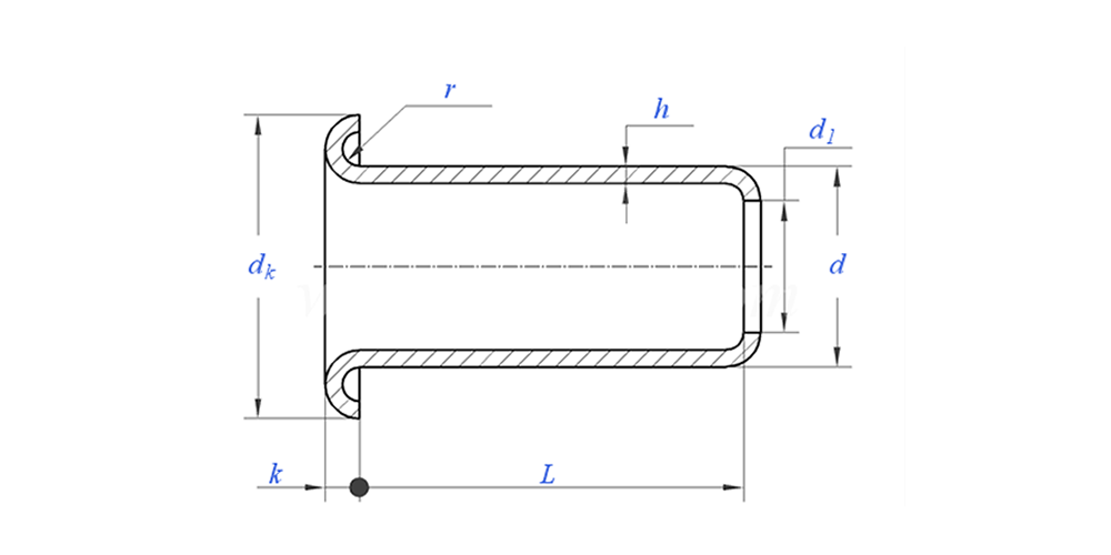
lukisan lubang mata dan mesin basuh seperti di bawah:

menunjukkan aplikasi eyelet dan mesin basuh:

Parameter Lubang Dan Pencuci (Spesifikasi)

bahan Tembaga
Rawatan Permukaan Bersih, penyaduran zink, penyaduran nikel, penyaduran perak, seperti yang diminta
Jenis Kepala Rivet pepejal kepala bulat
Sijil mematuhi Rohs
Diameter Batang 0.8-8mm
Toleransi +/-0.05mm
Permohonan Sesuai untuk digunakan dalam pelbagai industri, termasuk automotif, aeroangkasa, elektrik dan elektronik, dll.
Kawalan Kualiti 100% pemeriksaan keseluruhan rangkaian melalui pengeluaran memastikan setiap produk memenuhi piawaian ISO, menjamin produk berkualiti tinggi.




Ciri dan Aplikasi Eyelet Dan Mesin Cuci

Contoh yang baik tentang tempat anda melihat lubang dan mesin basuh berada pada tin minyak. Banyak tin minyak mempunyai muncung logam kecil untuk menuang. Muncung ini mendapat banyak kegunaan dan mudah koyak. Tetapi jika anda melihat dengan teliti, anda akan sering melihat cincin logam kecil yang menguatkan bukaan. Itulah lubang dan mesin basuh di tempat kerja. Ia menjadikan muncung kuat dan menghalang kebocoran, jadi minyak boleh bertahan lama. Ia adalah penggunaan yang sempurna untuk sepasang bahagian mudah ini.


lubang mata dan mesin basuh Butiran Pengeluaran

Maklumat pembungkusan

Soalan Lazim:

S1: Apakah MOQ anda untuk lubang dan mesin basuh?

MOQ untuk rivet ialah 20,000pcs.


S2: Bolehkah anda menyesuaikan pembuatan dengan lukisan kami?

Ya, kebanyakan rivet tiub kami dibuat khusus dengan lukisan pelanggan.


S3: Bolehkah anda memberikan sampel percuma rivet berongga?

Kami boleh menyediakan sampel percuma untuk saiz yang kami ada dalam stok, Tetapi pelanggan akan membayar caj Ekspres.


S4: Apakah Masa Penghantaran anda?

Saiz Rivet dalam stok: 3-5days, Rivet bukan standard: 15-25days. Kami akan membuat penghantaran secepat mungkin dengan jaminan kualiti.


S5: Kualiti produk anda?

Syarikat itu mempunyai peralatan pengeluaran dan ujian yang maju.Setiap produk akan diperiksa 100% oleh jabatan QC kami sebelum penghantaran.


S6: Mengapa kami memilih Teknologi Nuote?

1.Kami Nuote menghormati syarat pelanggan untuk melindungi projek privasi pelanggan.

2. Berkualiti tinggi dengan harga yang menarik

3. Masa utama yang cepat

4. Selamat berurusan dan jujur ​​kepada pelanggan dan rakan kongsi

5. Iklan jualan profesional menjawab pertanyaan anda dengan 8 jam.

6. Produk dan perkhidmatan Nuote dijual kepada lebih daripada 70 negara dengan reputasi yang baik


Teg Panas: Eyelet Dan Mesin Cuci, Eyelet dan Mesin Cuci China, Eyelet Dan Mesin Cuci Pengeluar
Kategori Berkaitan
Hantar Pertanyaan
Sila berasa bebas untuk memberikan pertanyaan anda dalam borang di bawah. Kami akan membalas anda dalam masa 24 jam.
X
Kami menggunakan kuki untuk menawarkan anda pengalaman menyemak imbas yang lebih baik, menganalisis trafik tapak dan memperibadikan kandungan. Dengan menggunakan tapak ini, anda bersetuju dengan penggunaan kuki kami. Dasar Privasi