Paku Keling

Paku Keling

Rivet lubang adalah pengikat kecil tetapi berguna. Ia berbentuk seperti tiub pendek dan selalunya diperbuat daripada loyang atau keluli. Apabila dipasang, ekor rivet dinyalakan untuk menyambung bahan bersama-sama dengan selamat. Banyak syarikat di seluruh dunia menghasilkan komponen yang boleh dipercayai ini. Nuote Metals yang berpangkalan di Dongguan, China, ialah pengeluar rivet lubang yang berkualiti yang terkenal.

Hantar Pertanyaan

Penerangan Produk

Pengenalan rivet eyelet

Rivet eyelet berfungsi dengan mencipta ikatan yang kuat dan kekal antara bahan. Tidak seperti rivet pepejal, ia mempunyai pusat berongga. Lubang ini menjadikan rivet eyelet ringan. Ia juga boleh membiarkan wayar atau kabel kecil melaluinya. Meletakkan rivet lubang di tempatnya adalah pantas dan mudah. Itulah sebabnya banyak kilang suka menggunakannya.


Parameter Rivet Eyelet (Spesifikasi)

bahan Loyang, keluli, aluminium, keluli tahan karat, tembaga
Rawatan Permukaan Bersih, penyaduran zink, penyaduran nikel, penyaduran perak, seperti yang diminta
Sijil mematuhi Rohs
Diameter Batang 0.8-10mm
Toleransi +/-0.05mm
Permohonan Sesuai untuk digunakan dalam pelbagai industri, termasuk automotif, aeroangkasa, elektrik dan elektronik, dll.
Kawalan Kualiti 100% pemeriksaan keseluruhan rangkaian melalui pengeluaran memastikan setiap produk memenuhi piawaian ISO, menjamin produk berkualiti tinggi.



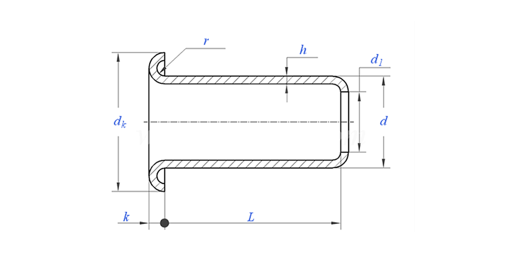
lukisan rivet eyelet seperti di bawah:


Ciri Dan Aplikasi Eyelet Rivet

Anda boleh menemui rivet lubang dalam banyak perkara seharian. Ia digunakan dalam kasut untuk tali dan dalam beg untuk tali. Bahagian kecil ini juga sangat penting dalam elektronik dan kereta. Ia memegang bahan yang berbeza bersama-sama dengan kukuh. Rivet lubang adalah penyelesaian yang mudah tetapi boleh dipercayai untuk banyak keperluan pemasangan.


Butiran Pengeluaran Eyelet Rivet

Maklumat pembungkusan

Soalan Lazim:

S1: Apakah MOQ anda untuk rivet eyelet?

MOQ untuk rivet ialah 20,000pcs.


S2: Bolehkah anda menyesuaikan pembuatan dengan lukisan kami?

Ya, kebanyakan rivet tiub kami dibuat khusus dengan lukisan pelanggan.


S3: Bolehkah anda memberikan sampel percuma rivet berongga?

Kami boleh menyediakan sampel percuma untuk saiz yang kami ada dalam stok, Tetapi pelanggan akan membayar caj Ekspres.


S4: Apakah Masa Penghantaran anda?

Saiz Rivet dalam stok: 3-5days, Rivet bukan standard: 15-25days. Kami akan membuat penghantaran secepat mungkin dengan jaminan kualiti.


S5: Kualiti produk anda?

Syarikat itu mempunyai peralatan pengeluaran dan ujian yang maju.Setiap produk akan diperiksa 100% oleh jabatan QC kami sebelum penghantaran.


S6: Mengapa kami memilih Teknologi Nuote?

1.Kami Nuote menghormati syarat pelanggan untuk melindungi projek privasi pelanggan.

2. Berkualiti tinggi dengan harga yang menarik

3. Masa utama yang cepat

4. Selamat berurusan dan jujur ​​kepada pelanggan dan rakan kongsi

5. Iklan jualan profesional menjawab pertanyaan anda dengan 8 jam.

6. Produk dan perkhidmatan Nuote dijual kepada lebih daripada 70 negara dengan reputasi yang baik


Teg Panas: Eyelet Rivet, China Eyelet Rivet, Pengilang Eyelet Rivet
Kategori Berkaitan
Hantar Pertanyaan
Sila berasa bebas untuk memberikan pertanyaan anda dalam borang di bawah. Kami akan membalas anda dalam masa 24 jam.
X
Kami menggunakan kuki untuk menawarkan anda pengalaman menyemak imbas yang lebih baik, menganalisis trafik tapak dan memperibadikan kandungan. Dengan menggunakan tapak ini, anda bersetuju dengan penggunaan kuki kami. Dasar Privasi