Lubang Logam

Lubang Logam

Anda mungkin telah melihat lubang logam berkali-kali tanpa menyedarinya. Ia adalah cincin logam kecil yang menguatkan lubang dalam semua jenis produk. Lubang logam mungkin kelihatan mudah, tetapi ia direka untuk menyelesaikan masalah biasa: menghalang lubang daripada koyak atau haus. Sama ada di dalam kasut anda atau beg galas anda, komponen kecil ini bekerja keras untuk menjadikan perkara itu bertahan lebih lama.

Hantar Pertanyaan

Penerangan Produk

Pengenalan Metal Eyelet

Memasang lubang logam agak mudah. Anda meletakkan bahagian utama melalui bahan, kemudian tekan bahagian mesin basuh di bahagian belakang. Alat khas boleh melakukan ini dengan cepat, tetapi alat mudah juga berfungsi dengan baik. Apa yang menarik tentang lubang logam ialah cara ia melindungi bahan di sekeliling lubang daripada haus dan lusuh, memastikan semuanya kemas dan kuat.


Pertunjukan aplikasi Metal Eyelet:

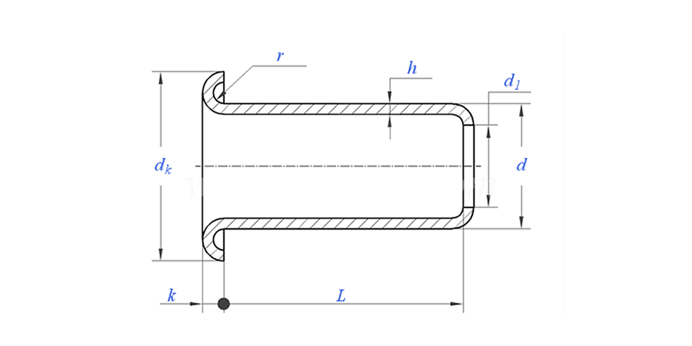
lukisan lubang logam seperti di bawah:


Parameter Eyelet Logam (Spesifikasi)



bahan Loyang, keluli, aluminium, keluli tahan karat, tembaga
Rawatan Permukaan Bersih, penyaduran zink, penyaduran nikel, penyaduran perak, seperti yang diminta
Sijil mematuhi Rohs
Diameter Batang 0.8-10mm
Toleransi +/-0.05mm
Permohonan Sesuai untuk digunakan dalam pelbagai industri, termasuk automotif, aeroangkasa, elektrik dan elektronik, dll.
Kawalan Kualiti 100% pemeriksaan keseluruhan rangkaian melalui pengeluaran memastikan setiap produk memenuhi piawaian ISO, menjamin produk berkualiti tinggi.



Ciri dan Penggunaan Mata Ikan Logam

Anda akan terkejut berapa banyak tempat yang anda boleh temui lubang logam bekerja keras. Itulah sebabnya lubang renda kasut anda tidak koyak selepas digunakan berulang kali. Dalam peralatan luar seperti khemah dan layar, lubang logam mengendalikan keadaan cuaca yang sukar tanpa gagal. Ia juga penting dalam tetapan industri, membantu mengatur kabel dan wayar. Di mana sahaja terdapat lubang yang memerlukan perlindungan, anda mungkin akan mendapati lubang logam menjalankan tugasnya.


Butiran Pengeluaran Eyelet Logam

Maklumat pembungkusan

Soalan Lazim:

S1: Apakah MOQ anda untuk lubang logam?

MOQ untuk rivet ialah 20,000pcs.


S2: Bolehkah anda menyesuaikan pembuatan dengan lukisan kami?

Ya, kebanyakan rivet tiub kami dibuat khusus dengan lukisan pelanggan.


S3: Bolehkah anda memberikan sampel percuma rivet berongga?

Kami boleh menyediakan sampel percuma untuk saiz yang kami ada dalam stok, Tetapi pelanggan akan membayar caj Ekspres.


S4: Apakah Masa Penghantaran anda?

Saiz Rivet dalam stok: 3-5days, Rivet bukan standard: 15-25days. Kami akan membuat penghantaran secepat mungkin dengan jaminan kualiti.


S5: Kualiti produk anda?

Syarikat itu mempunyai peralatan pengeluaran dan ujian yang maju.Setiap produk akan diperiksa 100% oleh jabatan QC kami sebelum penghantaran.


S6: Mengapa kami memilih Teknologi Nuote?

1.Kami Nuote menghormati syarat pelanggan untuk melindungi projek privasi pelanggan.

2. Berkualiti tinggi dengan harga yang menarik

3. Masa utama yang cepat

4. Selamat berurusan dan jujur ​​kepada pelanggan dan rakan kongsi

5. Iklan jualan profesional menjawab pertanyaan anda dengan 8 jam.

6. Produk dan perkhidmatan Nuote dijual kepada lebih daripada 70 negara dengan reputasi yang baik


Teg Panas: Eyelets Logam, Eyelets Logam China, Kilang Eyelets Logam
Kategori Berkaitan
Hantar Pertanyaan
Sila berasa bebas untuk memberikan pertanyaan anda dalam borang di bawah. Kami akan membalas anda dalam masa 24 jam.
X
Kami menggunakan kuki untuk menawarkan anda pengalaman menyemak imbas yang lebih baik, menganalisis trafik tapak dan memperibadikan kandungan. Dengan menggunakan tapak ini, anda bersetuju dengan penggunaan kuki kami. Dasar Privasi