Grommet Logam

Grommet Logam

Kami adalah Nuote Metals dari Dongguan, China. Kilang kami membuat pelbagai jenis grommet logam untuk kegunaan yang berbeza. Kami telah membuat produk grommet logam selama lebih sepuluh tahun. Kami menggunakan logam yang berbeza untuk membuat barangan grommet logam ini. Loyang, keluli, dan aluminium adalah bahan biasa. Kami membuat grommet logam dalam semua saiz. Yang kecil untuk kasut, yang besar untuk terpal. Setiap grommet logam diperiksa oleh pekerja kami sebelum pembungkusan. Mereka menguji setiap bahagian untuk memastikan ia berfungsi dengan baik. Ramai pelanggan membeli produk grommet logam kami dengan kerap. Mereka menyukai bekalan kami yang berkualiti dan boleh dipercayai.

Hantar Pertanyaan

Penerangan Produk

pengenalan

Grommet logam ialah cincin yang membuat lubang lebih kuat. Ia diletakkan dalam bahan seperti kain atau kulit. Apabila anda menarik sesuatu melalui grommet logam, lubang itu tidak koyak. Grommet logam melindungi bahan. Ia juga menjadikan produk kelihatan kemas. Kebanyakan kepingan grommet logam berbentuk bulat. Mereka mudah dipasang dengan mesin penekan. Mesin meletakkan grommet logam ke dalam bahan dengan cepat. Kemudian grommet logam kekal kukuh di tempatnya untuk kegunaan lama.


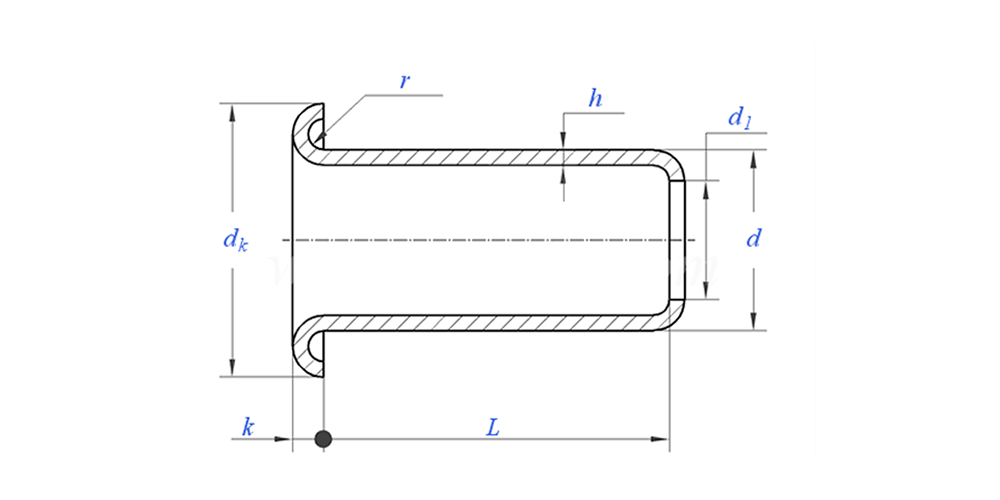
Lukisan Metal Grommet seperti di bawah:

Parameter Grommet Logam (Spesifikasi)



bahan Loyang, keluli, aluminium, keluli tahan karat, tembaga
Rawatan Permukaan Bersih, penyaduran zink, penyaduran nikel, penyaduran perak, seperti yang diminta
Sijil mematuhi Rohs
Diameter Batang 0.8-10mm
Toleransi +/-0.05mm
Permohonan Sesuai untuk digunakan dalam pelbagai industri, termasuk automotif, aeroangkasa, elektrik dan elektronik, dll.
Kawalan Kualiti 100% pemeriksaan keseluruhan rangkaian melalui pengeluaran memastikan setiap produk memenuhi piawaian ISO, menjamin produk berkualiti tinggi.


Ciri Dan Aplikasi Metal Grommet

Grommet logam mempunyai banyak aplikasi. Kasut menggunakan grommet logam untuk lubang renda. Beg menggunakan grommet logam untuk pemegang dan tali. Khemah dan terpal memerlukan grommet logam untuk tali. Pakaian seperti hoodie kadangkala mempunyai grommet logam untuk tali. Sarung perabot menggunakan grommet logam untuk mengikat. Produk industri juga memerlukan grommet logam untuk pelbagai fungsi. Grommet logam kecil ini membantu banyak produk berfungsi dengan lebih baik dan tahan lebih lama. Itulah sebabnya begitu banyak kilang  ingin memilih produk grommet logam kami. Mereka mempercayai pengalaman dan kawalan kualiti kami.


Butiran Pengeluaran Pakaian Logam

Maklumat pembungkusan

Soalan Lazim:

S1: Apakah MOQ anda untuk Metal Grommet?

MOQ untuk rivet ialah 20,000pcs.


S2: Bolehkah anda menyesuaikan pembuatan dengan lukisan kami?

Ya, kebanyakan rivet tiub kami dibuat khusus dengan lukisan pelanggan.


S3: Bolehkah anda memberikan sampel percuma rivet berongga?

Kami boleh menyediakan sampel percuma untuk saiz yang kami ada dalam stok, Tetapi pelanggan akan membayar caj Ekspres.


S4: Apakah Masa Penghantaran anda?

Saiz Rivet dalam stok: 3-5days, Rivet bukan standard: 15-25days. Kami akan membuat penghantaran secepat mungkin dengan jaminan kualiti.


S5: Kualiti produk anda?

Syarikat itu mempunyai peralatan pengeluaran dan ujian yang maju.Setiap produk akan diperiksa 100% oleh jabatan QC kami sebelum penghantaran.


S6: Mengapa kami memilih Teknologi Nuote?

1.Kami Nuote menghormati syarat pelanggan untuk melindungi projek privasi pelanggan.

2. Berkualiti tinggi dengan harga yang menarik

3. Masa utama yang cepat

4. Selamat berurusan dan jujur ​​kepada pelanggan dan rakan kongsi

5. Iklan jualan profesional menjawab pertanyaan anda dengan 8 jam.

6. Produk dan perkhidmatan Nuote dijual kepada lebih daripada 70 negara dengan reputasi yang baik


Teg Panas: Metal Grommet China, Pengeluar Metal Grommet, Pembekal Metal Grommet
Kategori Berkaitan
Hantar Pertanyaan
Sila berasa bebas untuk memberikan pertanyaan anda dalam borang di bawah. Kami akan membalas anda dalam masa 24 jam.
X
Kami menggunakan kuki untuk menawarkan anda pengalaman menyemak imbas yang lebih baik, menganalisis trafik tapak dan memperibadikan kandungan. Dengan menggunakan tapak ini, anda bersetuju dengan penggunaan kuki kami. Dasar Privasi