Lubang Kasut

Lubang Kasut

Kami membuat Eyelet Kasut di kilang kami di Dongguan, China. Eyelet adalah cincin logam kecil, dan anda boleh melihatnya pada kasut untuk tali. ia juga dipanggil sebagai grommet. Kami menjadikannya kuat supaya ia tidak putus apabila anda menarik tali anda dengan ketat. Eyelet Kasut kami diperbuat daripada logam yang berbeza, seperti loyang, aluminium dan keluli tahan karat. Dan ia boleh dibuat dengan warna yang berbeza untuk dipadankan dengan semua jenis kasut.

Hantar Pertanyaan

Penerangan Produk

Tugas utama Shoe Eyelets adalah untuk melindungi kasut. Apabila anda menarik tali anda, cincin logam mengambil tekanan dan bukannya bahan kasut. Ini menghalang lubang daripada menjadi lebih besar atau koyak. Eyelet Kasut yang Baik juga memudahkan untuk meluncurkan tali anda. Ia membantu anda mengikat kasut anda dengan cepat tanpa talinya tersangkut.


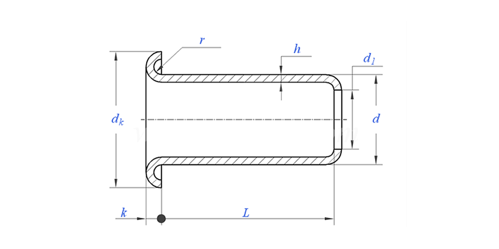
Lukis kasut melukis seperti di bawah:

Parameter Mata Kasut (Spesifikasi)



bahan Loyang, keluli, aluminium, keluli tahan karat, tembaga
Rawatan Permukaan Bersih, penyaduran zink, penyaduran nikel, penyaduran perak, seperti yang diminta
Sijil mematuhi Rohs
Diameter Batang 0.8-10mm
Toleransi +/-0.05mm
Permohonan Sesuai untuk digunakan dalam pelbagai industri, termasuk automotif, aeroangkasa, elektrik dan elektronik, dll.
Kawalan Kualiti 100% pemeriksaan keseluruhan rangkaian melalui pengeluaran memastikan setiap produk memenuhi piawaian ISO, menjamin produk berkualiti tinggi.



Pertunjukan permohonan:



Ciri-ciri Dan Aplikasi Tali Kasut

Anda melihat Mata Kasut pada hampir setiap kasut dengan tali. Kasut sekolah kanak-kanak memerlukannya untuk bertahan melalui permainan kasar. Kasut larian menggunakannya untuk membantu atlet mendapatkan kesesuaian yang selamat. Walaupun kasut kulit mewah mempunyai Kasut Kasut, walaupun kadangkala ia menjadikannya kelihatan lebih hiasan. Tanpa cincin logam kecil ini, kasut kami akan haus dengan lebih cepat dan sukar untuk dipakai.


lubang logam Butiran Pengeluaran

Maklumat pembungkusan

Soalan Lazim:

S1: Apakah MOQ anda untuk lubang kasut?

MOQ untuk rivet ialah 20,000pcs.


S2: Bolehkah anda menyesuaikan pembuatan dengan lukisan kami?

Ya, kebanyakan rivet tiub kami dibuat khusus dengan lukisan pelanggan.


S3: Bolehkah anda memberikan sampel percuma rivet berongga?

Kami boleh menyediakan sampel percuma untuk saiz yang kami ada dalam stok, Tetapi pelanggan akan membayar caj Ekspres.


S4: Apakah Masa Penghantaran anda?

Saiz Rivet dalam stok: 3-5days, Rivet bukan standard: 15-25days. Kami akan membuat penghantaran secepat mungkin dengan jaminan kualiti.


S5: Kualiti produk anda?

Syarikat itu mempunyai peralatan pengeluaran dan ujian yang maju.Setiap produk akan diperiksa 100% oleh jabatan QC kami sebelum penghantaran.


S6: Mengapa kami memilih Teknologi Nuote?

1.Kami Nuote menghormati syarat pelanggan untuk melindungi projek privasi pelanggan.

2. Berkualiti tinggi dengan harga yang menarik

3. Masa utama yang cepat

4. Selamat berurusan dan jujur ​​kepada pelanggan dan rakan kongsi

5. Iklan jualan profesional menjawab pertanyaan anda dengan 8 jam.

6. Produk dan perkhidmatan Nuote dijual kepada lebih daripada 70 negara dengan reputasi yang baik


Teg Panas: Eyelet Kasut, Eyelets Kasut China, Pengeluar Eyelets Kasut
Kategori Berkaitan
Hantar Pertanyaan
Sila berasa bebas untuk memberikan pertanyaan anda dalam borang di bawah. Kami akan membalas anda dalam masa 24 jam.
X
Kami menggunakan kuki untuk menawarkan anda pengalaman menyemak imbas yang lebih baik, menganalisis trafik tapak dan memperibadikan kandungan. Dengan menggunakan tapak ini, anda bersetuju dengan penggunaan kuki kami. Dasar Privasi