Keluli Lubang

Keluli Lubang

Kami adalah Nuote Metals, terletak di Dongguan. Kilang kami pakar dalam menghasilkan keluli lubang. Kami telah bekerja dengan keluli lubang selama bertahun-tahun. Keluli jenis ini dibuat supaya kuat dan mudah dibentuk. Kami memproses keluli menjadi kepingan nipis atau gegelung. Kemudian kami memotong dan membentuknya menjadi lubang. Keluli lubang kami bersih dan licin. Ia tidak mempunyai tepi yang kasar. Kami membuat banyak saiz daripada keluli lubang ini. Setiap bahagian diperiksa untuk kualiti. Ramai pelanggan membeli produk keluli eyelet kami. Mereka mempercayai kekuatan dan penamat. Kami juga boleh menyesuaikan keluli lubang untuk pesanan khas.

Hantar Pertanyaan

Penerangan Produk

Pengenalan Keluli Eyelet

Keluli eyelet diperbuat daripada keluli khas. Ia lebih lembut daripada beberapa keluli lain. Ini menjadikan keluli mudah ditekan dan dibentuk. Apabila anda membuat lubang daripada keluli lubang, ia kuat tetapi tidak rapuh. Mereka boleh dibengkokkan tanpa patah. Keluli eyelet selalunya mempunyai kemasan yang cerah atau bersalut. Ini membantu mengelakkan karat dan memastikan ia kelihatan baik. Untuk bekerja dengan keluli lubang, kami menggunakan mesin pengecap. Mesin menumbuk keluli ke dalam gelang bulat. Kemudian cincin ini menjadi mata ikan yang kita gunakan setiap hari.



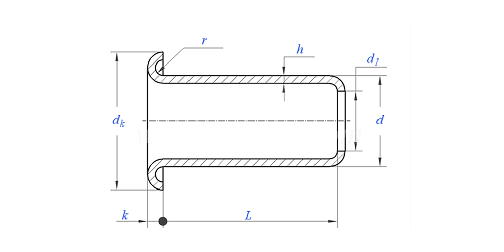
Parameter Keluli Lubang (Spesifikasi)



bahan keluli
Rawatan Permukaan Bersih, penyaduran zink, penyaduran nikel, penyaduran perak, seperti yang diminta
Sijil mematuhi Rohs
Diameter Batang 0.8-10mm
Toleransi +/-0.05mm
Permohonan Sesuai untuk digunakan dalam pelbagai industri, termasuk automotif, aeroangkasa, elektrik dan elektronik, dll.
Kawalan Kualiti 100% pemeriksaan keseluruhan rangkaian melalui pengeluaran memastikan setiap produk memenuhi piawaian ISO, menjamin produk berkualiti tinggi.




lukisan seperti di bawah:


Ciri Dan Aplikasi Keluli Eyelet

Kasut menggunakan keluli lubang untuk tali. Beg dan tali pinggang memerlukannya untuk lubang dan tali. Peralatan luar seperti khemah menggunakan keluli eyelet juga. Pakaian kerja dan pakaian seragam selalunya ada. Sesetengah perabot dan penutup kereta menggunakan keluli lubang . Malah beg galas kanak-kanak menggunakan keluli lubang kecil. Kancing ini tahan dengan penggunaan harian. Mereka kuat dan tidak merobek bahan. Pelanggan kami memilih keluli lubang untuk prestasi yang boleh dipercayai. Mereka tahu keluli lubang akan melakukan kerja dengan baik. Kami gembira untuk membekalkan keluli lubang yang berkualiti dari bengkel Dongguan kami.


Butiran Keluli Eyelet

Soalan Lazim:

S1: Apakah MOQ anda untuk keluli eyelet?

MOQ untuk rivet ialah 20,000pcs.


S2: Bolehkah anda menyesuaikan pembuatan dengan lukisan kami?

Ya, kebanyakan rivet tiub kami dibuat khusus dengan lukisan pelanggan.


S3: Bolehkah anda memberikan sampel percuma rivet berongga?

Kami boleh menyediakan sampel percuma untuk saiz yang kami ada dalam stok, Tetapi pelanggan akan membayar caj Ekspres.


S4: Apakah Masa Penghantaran anda?

Saiz Rivet dalam stok: 3-5days, Rivet bukan standard: 15-25days. Kami akan membuat penghantaran secepat mungkin dengan jaminan kualiti.


S5: Kualiti produk anda?

Syarikat itu mempunyai peralatan pengeluaran dan ujian yang maju.Setiap produk akan diperiksa 100% oleh jabatan QC kami sebelum penghantaran.


S6: Mengapa kami memilih Teknologi Nuote?

1.Kami Nuote menghormati syarat pelanggan untuk melindungi projek privasi pelanggan.

2. Berkualiti tinggi dengan harga yang menarik

3. Masa utama yang cepat

4. Selamat berurusan dan jujur ​​kepada pelanggan dan rakan kongsi

5. Iklan jualan profesional menjawab pertanyaan anda dengan 8 jam.

6. Produk dan perkhidmatan Nuote dijual kepada lebih daripada 70 negara dengan reputasi yang baik


Teg Panas: Eyelet Steel, Eyelet Steel China, China Eyelets Factory
Kategori Berkaitan
Hantar Pertanyaan
Sila berasa bebas untuk memberikan pertanyaan anda dalam borang di bawah. Kami akan membalas anda dalam masa 24 jam.
X
Kami menggunakan kuki untuk menawarkan anda pengalaman menyemak imbas yang lebih baik, menganalisis trafik tapak dan memperibadikan kandungan. Dengan menggunakan tapak ini, anda bersetuju dengan penggunaan kuki kami. Dasar Privasi