Grommet Keluli

Grommet Keluli

Helo dari Dongguan, China. Kami adalah Nuote Metals. Kami membuat grommet keluli yang kuat di sini. Kilang kami menghasilkan grommet keluli setiap hari. Kami menggunakan bahan keluli yang baik. Keluli ini tebal dan tahan lama. Kami membuat grommet keluli dalam pelbagai saiz. Ada yang kecil. Ada yang sangat besar. Setiap grommet keluli akan diperiksa oleh pasukan kami. Mereka melihat setiap bahagian dengan teliti. Ramai pelanggan membeli grommet keluli kami lagi dan lagi. Mereka suka kualiti kami. Mereka mempercayai produk kami. Kami bekerja keras untuk membuat grommet keluli yang baik untuk semua orang.

Hantar Pertanyaan

Penerangan Produk

Pengenalan Grommet Keluli

Grommet keluli ialah cincin logam ringkas. Ia masuk ke dalam lubang pada kain atau kulit. Grommet keluli menjadikan lubang itu kuat. Apabila anda meletakkan tali melaluinya, lubang itu tidak koyak. Grommet keluli berfungsi dengan baik di luar. Mereka tidak mudah berkarat. Hujan dan matahari tidak banyak merosakkannya. Untuk meletakkan grommet keluli, anda memerlukan mesin. Mesin menekan grommet keluli ke dalam bahan. Kemudian ia tinggal di sana untuk masa yang lama. Ia tidak terlepas. Beginilah cara grommet keluli membantu mengekalkan keadaan.



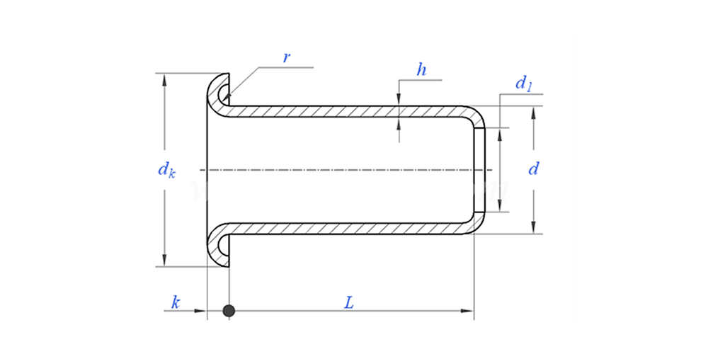
Parameter Grommet Keluli (Spesifikasi)



bahan keluli
Rawatan Permukaan Bersih, penyaduran zink, penyaduran nikel, penyaduran perak, seperti yang diminta
Sijil mematuhi Rohs
Diameter Batang 0.8-10mm
Toleransi +/-0.05mm
Permohonan Sesuai untuk digunakan dalam pelbagai industri, termasuk automotif, aeroangkasa, elektrik dan elektronik, dll.
Kawalan Kualiti 100% pemeriksaan keseluruhan rangkaian melalui pengeluaran memastikan setiap produk memenuhi piawaian ISO, menjamin produk berkualiti tinggi.




Lukisan Grommet Keluli seperti di bawah:


Ciri Dan Aplikasi Steel Grommet

Grommet keluli digunakan di banyak tempat. Penutup trak menggunakan grommet keluli untuk mengikat. Khemah memerlukan grommet keluli untuk talinya. Beg mempunyai grommet keluli untuk pemegangnya. Sesetengah kasut menggunakan grommet keluli untuk tali. Pakaian kerja mempunyai grommet keluli juga. Papan tanda luar sering menggunakan grommet keluli untuk digantung. Malah bot menggunakan grommet keluli untuk penutupnya. Grommet keluli ada di mana-mana. Mereka membantu mengekalkan perkara bersama. dan jadikan perkara itu kuat dan selamat. Pelanggan kami memilih grommet keluli kami kerana ia berfungsi dengan baik. Mereka tahu grommet keluli kami tidak akan mengecewakan mereka. Kami berbangga untuk membuat produk yang berguna di sini di Dongguan.


Butiran Grommet Keluli

Maklumat Pembungkusan Steel Grommet

Soalan Lazim:

S1: Apakah MOQ anda untuk Steel Grommet?

MOQ untuk rivet ialah 20,000pcs.


S2: Bolehkah anda menyesuaikan pembuatan dengan lukisan kami?

Ya, kebanyakan rivet tiub kami dibuat khusus dengan lukisan pelanggan.


S3: Bolehkah anda memberikan sampel percuma rivet berongga?

Kami boleh menyediakan sampel percuma untuk saiz yang kami ada dalam stok, Tetapi pelanggan akan membayar caj Ekspres.


S4: Apakah Masa Penghantaran anda?

Saiz Rivet dalam stok: 3-5days, Rivet bukan standard: 15-25days. Kami akan membuat penghantaran secepat mungkin dengan jaminan kualiti.


S5: Kualiti produk anda?

Syarikat itu mempunyai peralatan pengeluaran dan ujian yang maju.Setiap produk akan diperiksa 100% oleh jabatan QC kami sebelum penghantaran.


S6: Mengapa kami memilih Teknologi Nuote?

1.Kami Nuote menghormati syarat pelanggan untuk melindungi projek privasi pelanggan.

2. Berkualiti tinggi dengan harga yang menarik

3. Masa utama yang cepat

4. Selamat berurusan dan jujur ​​kepada pelanggan dan rakan kongsi

5. Iklan jualan profesional menjawab pertanyaan anda dengan 8 jam.

6. Produk dan perkhidmatan Nuote dijual kepada lebih daripada 70 negara dengan reputasi yang baik

Teg Panas: Grommet Keluli, Grommet Keluli China, Pengeluar Grommet Keluli
Kategori Berkaitan
Hantar Pertanyaan
Sila berasa bebas untuk memberikan pertanyaan anda dalam borang di bawah. Kami akan membalas anda dalam masa 24 jam.
X
Kami menggunakan kuki untuk menawarkan anda pengalaman menyemak imbas yang lebih baik, menganalisis trafik tapak dan memperibadikan kandungan. Dengan menggunakan tapak ini, anda bersetuju dengan penggunaan kuki kami. Dasar Privasi