Oilcan Eyelets

Oilcan Eyelets

Lubang minyak keluli tahan karat ialah gelang kecil khas yang digunakan dalam tong minyak. Mereka dinamakan untuk kegunaan klasik mereka dalam tong minyak tradisional. Nuote Metals di Dongguan, China menghasilkan eyelet oilcan keluli tahan karat yang boleh dipercayai dengan saiz yang berbeza.

Hantar Pertanyaan

Penerangan Produk

Pengenalan Oilcan Eyelets

Mata ikat minyak ini diperbuat daripada sekeping keluli tahan karat. Ini menjadikan mereka kuat dan tahan karat, yang sangat penting untuk kegunaan yang tahan lama. Reka bentuk termasuk pusat berongga dan alur yang telah dibentuk sebelumnya. Alur ini memudahkan untuk mengelim lubang bekas minyak dengan selamat ke dalam lubang kepingan logam tanpa banyak usaha. Pemasangannya pantas, menghasilkan pengedap yang ketat dan kekal.


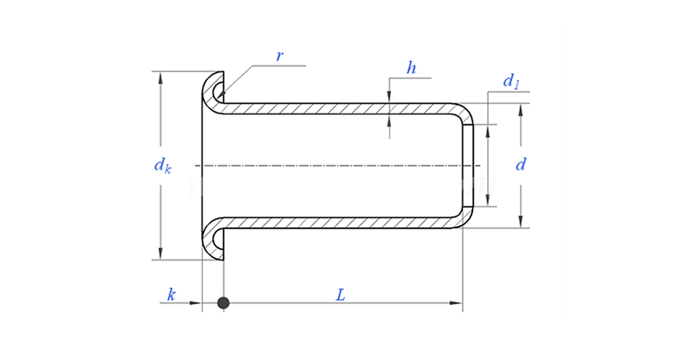
Lukisan Oilcan Eyelets seperti di bawah:

aplikasi eyelet oilcan menunjukkan:

Parameter Oilcan Eyelets (Spesifikasi)


bahan Keluli tahan karat 304
Rawatan Permukaan Bersih, penyaduran zink, penyaduran nikel, penyaduran perak, seperti yang diminta
Sijil mematuhi Rohs
Diameter Batang 0.8-10mm
Toleransi +/-0.05mm
Permohonan Sesuai untuk digunakan dalam pelbagai industri, termasuk automotif, aeroangkasa, elektrik dan elektronik, dll.
Kawalan Kualiti

100% pemeriksaan keseluruhan rangkaian melalui pengeluaran memastikan setiap produk memenuhi piawaian ISO, menjamin produk berkualiti tinggi.


Ciri Dan Aplikasi Oilcan Eyelets

Anda akan menemui lubang ikat minyak ini di tempat yang paling diperlukan: pada muncung tong minyak. Mereka mencipta lubang yang licin dan diperkukuh untuk mengalirkan minyak. Bahagian mudah ini menjadikan tin lebih mudah dan bersih untuk digunakan. Ia juga menjadikan muncung lebih kuat, jadi ia tidak mudah haus. Tanpa lubang minyak yang baik, tepi logam boleh menjadi kasar dan menyebabkan kebocoran. Itulah sebabnya bahagian kecil ini sangat penting untuk tong minyak yang boleh dipercayai.


oilcan eyelets Butiran Pengeluaran

Maklumat pembungkusan


Soalan Lazim:

S1: Apakah MOQ anda untuk mata ikat tin minyak?

MOQ untuk rivet ialah 20,000pcs.


S2: Bolehkah anda menyesuaikan pembuatan dengan lukisan kami?

Ya, kebanyakan rivet tiub kami dibuat khusus dengan lukisan pelanggan.


S3: Bolehkah anda memberikan sampel percuma rivet berongga?

Kami boleh menyediakan sampel percuma untuk saiz yang kami ada dalam stok, Tetapi pelanggan akan membayar caj Ekspres.


S4: Apakah Masa Penghantaran anda?

Saiz Rivet dalam stok: 3-5days, Rivet bukan standard: 15-25days. Kami akan membuat penghantaran secepat mungkin dengan jaminan kualiti.


S5: Kualiti produk anda?

Syarikat itu mempunyai peralatan pengeluaran dan ujian yang maju.Setiap produk akan diperiksa 100% oleh jabatan QC kami sebelum penghantaran.


S6: Mengapa kami memilih Teknologi Nuote?

1.Kami Nuote menghormati syarat pelanggan untuk melindungi projek privasi pelanggan.

2. Berkualiti tinggi dengan harga yang menarik

3. Masa utama yang cepat

4. Selamat berurusan dan jujur ​​kepada pelanggan dan rakan kongsi

5. Iklan jualan profesional menjawab pertanyaan anda dengan 8 jam.

6. Produk dan perkhidmatan Nuote dijual kepada lebih daripada 70 negara dengan reputasi yang baik





Teg Panas: Eyelet Oilcan, Eyelets Untuk Oilcan, Eyelets Keluli Tahan Karat Untuk Oilcan
Kategori Berkaitan
Hantar Pertanyaan
Sila berasa bebas untuk memberikan pertanyaan anda dalam borang di bawah. Kami akan membalas anda dalam masa 24 jam.
X
Kami menggunakan kuki untuk menawarkan anda pengalaman menyemak imbas yang lebih baik, menganalisis trafik tapak dan memperibadikan kandungan. Dengan menggunakan tapak ini, anda bersetuju dengan penggunaan kuki kami. Dasar Privasi