Mata Ikan Tahan Karat

Mata Ikan Tahan Karat

Kami adalah Nuote Metals dari Dongguan China. Kilang kami membuat lubang tali tahan karat berkualiti untuk industri yang berbeza. Kami telah menghasilkan eyelet tahan karat selama bertahun-tahun. Kami menggunakan bahan keluli tahan karat yang baik. Bahan ini menjadikan lubang mata tahan karat kami kuat dan kalis karat. Kami membuat eyelet tahan karat dalam pelbagai saiz. Ada yang kecil untuk elektronik. Ada yang besar untuk produk luar. Setiap lubang karat diperiksa oleh pekerja kami. Mereka melihat setiap bahagian dengan teliti. Ramai pelanggan memilih eyelet tahan karat kami kerana ia berfungsi dengan baik dan tahan lama. Kami boleh membuat sampel dengan cepat untuk projek baharu.

Hantar Pertanyaan

Penerangan Produk

Pengenalan Eyelets Tahan Karat

Lubang tahan karat ialah gelang logam yang diperbuat daripada keluli tahan karat. Ia digunakan untuk mengukuhkan lubang dalam bahan. Lubang tahan karat melindungi lubang daripada kerosakan. Mereka mengekalkan bentuknya walaupun ditarik kuat. Lubang tahan karat ini tidak berkarat dalam keadaan basah. Mereka kekal berkilat dan kuat selama bertahun-tahun. Memasukkan lubang mata tahan karat memerlukan mesin khas. Mesin menekan lubang karat ke dalam bahan. Setelah dipasang, ia kekal kukuh di tempatnya. Ini menjadikan produk lebih baik dan lebih tahan lama.



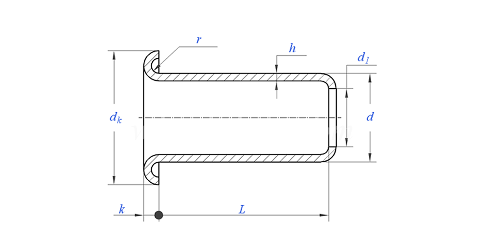
Parameter Eyelet Tahan Karat (Spesifikasi)



bahan keluli tahan karat
Rawatan Permukaan Bersih, penyaduran zink, penyaduran nikel, penyaduran perak, seperti yang diminta
Sijil mematuhi Rohs
Diameter Batang 0.8-10mm
Toleransi +/-0.05mm
Permohonan Sesuai untuk digunakan dalam pelbagai industri, termasuk automotif, aeroangkasa, elektrik dan elektronik, dll.
Kawalan Kualiti 100% pemeriksaan keseluruhan rangkaian melalui pengeluaran memastikan setiap produk memenuhi piawaian ISO, menjamin produk berkualiti tinggi.


Lukisan Eyelets tahan karat seperti di bawah:

Pertunjukan permohonan:


Ciri Dan Penggunaan Mata Karat Tahan Karat

Lubang tahan karat mempunyai banyak kegunaan. Kasut dan but memerlukan lubang karat untuk tali. Peralatan luar menggunakan lubang karat untuk tali dan kord. Beg dan bagasi memerlukan lubang karat untuk tali. Khemah dan terpal memerlukan lubang tali tahan karat untuk mengikat. Elektronik kadangkala menggunakan lubang kecil tahan karat untuk wayar. Peralatan marin memerlukan lubang karat kerana ia tahan air masin. Lubang tahan karat ini menjadikan produk boleh dipercayai dan tahan lama. Pelanggan kami mempercayai lubang karat kami untuk produk penting mereka. Mereka tahu mata ikat tahan karat kami akan berfungsi dengan baik dalam apa jua keadaan.


Maklumat pembungkusan

Butiran Pengeluaran Eyelets Tahan Karat


Soalan Lazim:

S1: Apakah MOQ anda untuk Eyelets Tahan Karat?

MOQ untuk rivet ialah 20,000pcs.


S2: Bolehkah anda menyesuaikan pembuatan dengan lukisan kami?

Ya, kebanyakan rivet tiub kami dibuat khusus dengan lukisan pelanggan.


S3: Bolehkah anda memberikan sampel percuma rivet berongga?

Kami boleh menyediakan sampel percuma untuk saiz yang kami ada dalam stok, Tetapi pelanggan akan membayar caj Ekspres.


S4: Apakah Masa Penghantaran anda?

Saiz Rivet dalam stok: 3-5days, Rivet bukan standard: 15-25days. Kami akan membuat penghantaran secepat mungkin dengan jaminan kualiti.


S5: Kualiti produk anda?

Syarikat itu mempunyai peralatan pengeluaran dan ujian yang maju.Setiap produk akan diperiksa 100% oleh jabatan QC kami sebelum penghantaran.


S6: Mengapa kami memilih Teknologi Nuote?

1.Kami Nuote menghormati syarat pelanggan untuk melindungi projek privasi pelanggan.

2. Berkualiti tinggi dengan harga yang menarik

3. Masa utama yang cepat

4. Selamat berurusan dan jujur ​​kepada pelanggan dan rakan kongsi

5. Iklan jualan profesional menjawab pertanyaan anda dengan 8 jam.

6. Produk dan perkhidmatan Nuote dijual kepada lebih daripada 70 negara dengan reputasi yang baik


Teg Panas: Eyelets tahan karat, Pengeluar Eyelets Stainless, Eyelets China
Kategori Berkaitan
Hantar Pertanyaan
Sila berasa bebas untuk memberikan pertanyaan anda dalam borang di bawah. Kami akan membalas anda dalam masa 24 jam.
X
Kami menggunakan kuki untuk menawarkan anda pengalaman menyemak imbas yang lebih baik, menganalisis trafik tapak dan memperibadikan kandungan. Dengan menggunakan tapak ini, anda bersetuju dengan penggunaan kuki kami. Dasar Privasi