Keling Berongga Loyang

Keling Berongga Loyang

Rivet loyang tembaga biasanya diperbuat daripada tiub tembaga. Tiub tembaga keras, tidak mudah terhakis, dan tahan suhu tinggi dan tekanan tinggi. Mereka boleh digunakan dalam pelbagai persekitaran. Pada masa yang sama, mereka lebih mudah dibengkokkan, dipintal, retak, dan pecah daripada logam biasa. Nuote Metals ialah pengilang profesional rivet loyang tembaga di China, kami berada dalam industri ini selama lebih daripada 10 tahun.

Hantar Pertanyaan

Penerangan Produk

Pengenalan rivet loyang loyang


Rivet loyang tembaga (juga dikenali sebagairivet loyang loyang ataurivet lubang) biasanya digunakan dalam pakaian, elektronik, peralatan elektrik, kasut, beg tangan, tali pinggang, dan pakaian untuk memukau, hiasan, pengikat dan penebuk. Rivet loyang loyang memerlukan penyambungan semula dan digunakan untuk menyambungkan bahan kerja yang berat, selalunya struktur yang tidak boleh ditanggalkan. Rivet loyang berongga digunakan secara meluas. Rivet loyang loyang bergari (hujung yang lebih kecil) ini dihasilkan daripada tiub tegar dan boleh menembusi plat keluli sehingga 0.5mm tebal tanpa pra-gerudi. Ia tahan lentur dan ubah bentuk dan biasanya digunakan dalam peti besi.


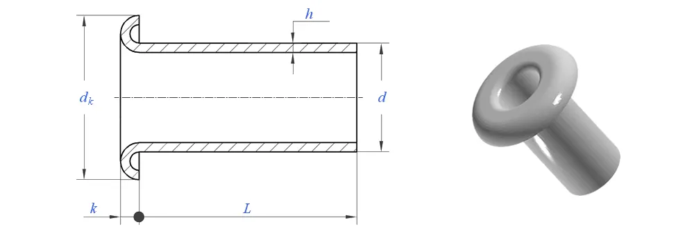
Lukisan rivet loyang loyang:


Parameter Rivet Berongga Loyang (Spesifikasi)


bahan

loyang

Rawatan Permukaan

Bersih, penyaduran dengan nikel, zink, emas, sekerat, seperti yang diminta

Sijil

mematuhi Rohs

Diameter Batang

0.8-10mm

Toleransi

+/-0.05mm

Permohonan

 Sesuai digunakan dalam pelbagai industri, termasukautomotif, aeroangkasa,elektrik dan elektronik,  dsb.

Kawalan Kualiti

100% pemeriksaan keseluruhan rangkaian melalui pengeluaran memastikan setiap produk memenuhi piawaian ISO, menjamin produk berkualiti tinggi.



Ciri-ciri dan Aplikasi Paku Keling Berongga Loyang


Rivet loyang tembaga digunakan dalam pelbagai industri. Dalam elektronik, mereka menyambung wayar atau komponen, memanfaatkan kekonduksian elektrik mereka untuk memastikan penghantaran isyarat. Dalam industri automotif, ia digunakan untuk komponen dalaman atau pembinaan ringan, kerana ia boleh dipasang dengan cepat dan tanpa pematerian. Dalam barangan isi rumah seperti perabot atau barang hiasan, rivet tembaga memberikan sambungan yang estetik dan boleh dipercayai. Aplikasi lain termasuk mainan, pencahayaan dan projek DIY, di mana pemberat ringan dan rintangan kakisan adalah berfaedah.


rivet loyang loyang Butiran Pengeluaran


Maklumat pembungkusan

Soalan Lazim:


S1: Apakah MOQ anda untuk rivet berongga tembaga?

MOQ untuk rivet ialah 20,000pcs.


S2: Bolehkah anda menyesuaikan pembuatan dengan lukisan kami?

Ya, kebanyakan rivet loyang tembaga kami dibuat khusus dengan lukisan pelanggan.


S3: Bolehkah anda memberikan sampel percuma rivet loyang loyang?

Kami boleh menyediakan sampel percuma untuk saiz yang kami ada dalam stok, Tetapi pelanggan akan membayar caj Ekspres.


S4: Apakah Masa Penghantaran anda?

Saiz Rivet dalam stok: 3-5days, Rivet bukan standard: 15-25days. Kami akan membuat penghantaran secepat mungkin dengan jaminan kualiti.


S5: Kualiti produk anda?

Syarikat itu mempunyai peralatan pengeluaran dan ujian yang maju.Setiap produk akan diperiksa 100% oleh jabatan QC kami sebelum penghantaran.


S6: Mengapa kami memilih Teknologi Nuote?

1.Kami Nuote menghormati syarat pelanggan untuk melindungi projek privasi pelanggan.

2. Berkualiti tinggi dengan harga yang menarik

3. Masa utama yang cepat

4. Selamat berurusan dan jujur ​​kepada pelanggan dan rakan kongsi

5. Iklan jualan profesional menjawab pertanyaan anda dengan 8 jam.

6. Produk dan perkhidmatan Nuote dijual kepada lebih daripada 70 negara dengan reputasi yang baik





Teg Panas: Pembekal Brass Hollow Rivets, Hollow Brass Rivets Borong, Industrial Brass Rivets Manufacturers
Kategori Berkaitan
Hantar Pertanyaan
Sila berasa bebas untuk memberikan pertanyaan anda dalam borang di bawah. Kami akan membalas anda dalam masa 24 jam.
X
Kami menggunakan kuki untuk menawarkan anda pengalaman menyemak imbas yang lebih baik, menganalisis trafik tapak dan memperibadikan kandungan. Dengan menggunakan tapak ini, anda bersetuju dengan penggunaan kuki kami. Dasar Privasi