PCB Eyelets

PCB Eyelets

Lubang PCB ialah gelang logam kecil yang direka untuk dipasang di papan litar. Ia mungkin kelihatan mudah, tetapi ia memainkan peranan penting. Orang ramai menggunakannya untuk mencipta lubang yang kuat dan boleh dipercayai dalam PCB. Komponen kecil ini membantu memastikan sambungan tidak rosak semasa pemasangan atau penggunaan. Nuote Metals berbesar hati untuk membantu anda mengetahui lebih lanjut tentang eyelet untuk PCB.

Hantar Pertanyaan

Penerangan Produk

Pengenalan eyelet PCB

Tugas utama lubang lubang PCB adalah untuk menguatkan lubang. Ia biasanya diperbuat daripada loyang dan selalunya disalut dengan timah atau pateri. Ini menjadikannya mudah untuk memateri komponen kepadanya. Apabila ditekan ke dalam papan, lubang lubang PCB menguatkan lubang, menghalang retakan pada kesan tembaga. Ia bertindak seperti lengan tahan lama yang melindungi bahan papan litar yang halus.


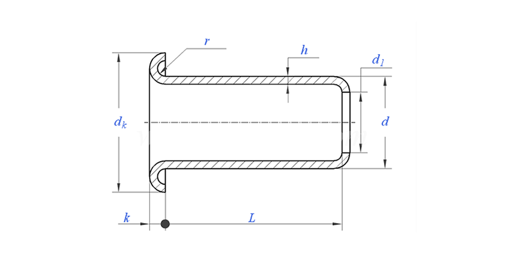
Lukis PCB melukis seperti di bawah:

Parameter Eyelet PCB (Spesifikasi)



bahan Tembaga
Rawatan Permukaan Bersih, penyaduran zink, penyaduran nikel, penyaduran perak, seperti yang diminta
Sijil mematuhi Rohs
Diameter Batang 0.8-10mm
Toleransi +/-0.05mm
Permohonan Sesuai untuk digunakan dalam pelbagai industri, termasuk automotif, aeroangkasa, elektrik dan elektronik, dll.
Kawalan Kualiti 100% pemeriksaan keseluruhan rangkaian melalui pengeluaran memastikan setiap produk memenuhi piawaian ISO, menjamin produk berkualiti tinggi.



Aplikasi mata ikan PCB menunjukkan:


Ciri Dan Aplikasi PCB Eyelets

Anda akan mendapati lubang mata PCB digunakan dalam banyak produk elektronik. Ia sesuai untuk tempat yang memerlukan titik sambungan yang kuat, seperti pengubah atau kaki komponen yang besar. Lubang PCB juga biasa berlaku di titik ujian, di mana probe mungkin bersambung berulang kali. Dalam suis atau penyambung, lubang lubang PCB memastikan tekanan mekanikal berada pada lengan logam, bukan papan rapuh itu sendiri. Mereka adalah penting untuk membuat elektronik yang tahan lama.


Butiran Pengeluaran mata ikan PCB

Maklumat pembungkusan

Soalan Lazim:

S1: Apakah MOQ anda untuk lubang mata PCB?

MOQ untuk rivet ialah 20,000pcs.


S2: Bolehkah anda menyesuaikan pembuatan dengan lukisan kami?

Ya, kebanyakan rivet tiub kami dibuat khusus dengan lukisan pelanggan.


S3: Bolehkah anda memberikan sampel percuma rivet berongga?

Kami boleh menyediakan sampel percuma untuk saiz yang kami ada dalam stok, Tetapi pelanggan akan membayar caj Ekspres.


S4: Apakah Masa Penghantaran anda?

Saiz Rivet dalam stok: 3-5days, Rivet bukan standard: 15-25days. Kami akan membuat penghantaran secepat mungkin dengan jaminan kualiti.


S5: Kualiti produk anda?

Syarikat itu mempunyai peralatan pengeluaran dan ujian yang maju.Setiap produk akan diperiksa 100% oleh jabatan QC kami sebelum penghantaran.


S6: Mengapa kami memilih Teknologi Nuote?

1.Kami Nuote menghormati syarat pelanggan untuk melindungi projek privasi pelanggan.

2. Berkualiti tinggi dengan harga yang menarik

3. Masa utama yang cepat

4. Selamat berurusan dan jujur ​​kepada pelanggan dan rakan kongsi

5. Iklan jualan profesional menjawab pertanyaan anda dengan 8 jam.

6. Produk dan perkhidmatan Nuote dijual kepada lebih daripada 70 negara dengan reputasi yang baik


Teg Panas: Eyelet PCB, Eyelets untuk PCB, Eyelets PCB China
Kategori Berkaitan
Hantar Pertanyaan
Sila berasa bebas untuk memberikan pertanyaan anda dalam borang di bawah. Kami akan membalas anda dalam masa 24 jam.
X
Kami menggunakan kuki untuk menawarkan anda pengalaman menyemak imbas yang lebih baik, menganalisis trafik tapak dan memperibadikan kandungan. Dengan menggunakan tapak ini, anda bersetuju dengan penggunaan kuki kami. Dasar Privasi