Mata Rivet

Mata Rivet

Lubang rivet ialah pengikat berbentuk cincin kecil. Ia direka bentuk untuk dimasukkan ke dalam lubang, dan kemudian rimnya dilipat ke bawah untuk memegang bahan bersama-sama. Nuote Metals di Dongguan ialah kilang yang boleh dipercayai untuk membuat bahagian yang berguna ini.

Hantar Pertanyaan

Penerangan Produk

Pengenalan mata keling

Ciri utama lubang keling ialah bahagian tengahnya yang berongga. Lubang ini menjadikannya lebih ringan daripada rivet pepejal. Ia juga membenarkan benda seperti wayar atau kord melaluinya. Memasang lubang rivet adalah proses yang cepat dan mudah, itulah sebabnya ia sangat popular untuk pengeluaran.


Paparan Permohonan:

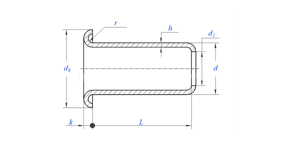
Lukisan Mata Keling Seperti Di Bawah:



Parameter Mata Rivet (Spesifikasi)



bahan Loyang, keluli, aluminium, keluli tahan karat, tembaga
Rawatan Permukaan Bersih, penyaduran zink, penyaduran nikel, penyaduran perak, seperti yang diminta
Sijil mematuhi Rohs
Diameter Batang 0.8-10mm
Toleransi +/-0.05mm
Permohonan Sesuai untuk digunakan dalam pelbagai industri, termasuk automotif, aeroangkasa, elektrik dan elektronik, dll.
Kawalan Kualiti 100% pemeriksaan keseluruhan rangkaian melalui pengeluaran memastikan setiap produk memenuhi piawaian ISO, menjamin produk berkualiti tinggi.




Ciri Dan Aplikasi Rivet Eyelets

Anda boleh menemui mata ikat rivet dalam banyak produk biasa. Ia digunakan dalam kasut untuk lubang renda dan dalam beg untuk lampiran tali. Mereka juga penting dalam elektronik dan alat ganti kereta. Dalam semua kegunaan ini, lubang rivet menyediakan sambungan yang kuat dan berkekalan.


Rivet Eyelets Butiran

Maklumat pembungkusan

Soalan Lazim:

S1: Apakah MOQ anda untuk mata ikat rivet?

MOQ untuk rivet ialah 20,000pcs.


S2: Bolehkah anda menyesuaikan pembuatan dengan lukisan kami?

Ya, kebanyakan rivet tiub kami dibuat khusus dengan lukisan pelanggan.


S3: Bolehkah anda memberikan sampel percuma rivet berongga?

Kami boleh menyediakan sampel percuma untuk saiz yang kami ada dalam stok, Tetapi pelanggan akan membayar caj Ekspres.


S4: Apakah Masa Penghantaran anda?

Saiz Rivet dalam stok: 3-5days, Rivet bukan standard: 15-25days. Kami akan membuat penghantaran secepat mungkin dengan jaminan kualiti.


S5: Kualiti produk anda?

Syarikat itu mempunyai peralatan pengeluaran dan ujian yang maju.Setiap produk akan diperiksa 100% oleh jabatan QC kami sebelum penghantaran.


S6: Mengapa kami memilih Teknologi Nuote?

1.Kami Nuote menghormati syarat pelanggan untuk melindungi projek privasi pelanggan.

2. Berkualiti tinggi dengan harga yang menarik

3. Masa utama yang cepat

4. Selamat berurusan dan jujur ​​kepada pelanggan dan rakan kongsi

5. Iklan jualan profesional menjawab pertanyaan anda dengan 8 jam.

6. Produk dan perkhidmatan Nuote dijual kepada lebih daripada 70 negara dengan reputasi yang baik


Teg Panas: Mata Rivet, Mata Rivet China, Pengeluar Mata Rivet
Kategori Berkaitan
Hantar Pertanyaan
Sila berasa bebas untuk memberikan pertanyaan anda dalam borang di bawah. Kami akan membalas anda dalam masa 24 jam.
X
Kami menggunakan kuki untuk menawarkan anda pengalaman menyemak imbas yang lebih baik, menganalisis trafik tapak dan memperibadikan kandungan. Dengan menggunakan tapak ini, anda bersetuju dengan penggunaan kuki kami. Dasar Privasi