Kancing But

Kancing But

Kami membuat Boot Eyelets setiap hari di sini di Nuote Metals di Dongguan. Eyelets ialah cincin logam yang kuat yang anda lihat pada but. Tali melepasi mereka. Kami membuat Boot Eyelets kami daripada bahan yang sukar. Mereka perlu bertahan lama. Kami menghasilkannya dalam pelbagai saiz dan kemasan. Ada yang berkilat, ada yang matte. Kesemuanya dibuat untuk tahan lama.

Hantar Pertanyaan

Penerangan Produk

Pengenalan Boot Eyelets

Boot Eyelets mempunyai tugas yang sangat penting. Mereka membuat lubang renda lebih kuat. Tanpa mereka, lubang akan mudah terkoyak. Apabila anda menarik tali anda dengan ketat, Boot Eyelets mengambil tekanan. Mereka juga membantu tali bergerak dengan lancar. Ini memudahkan anda memakai but dan menanggalkannya.


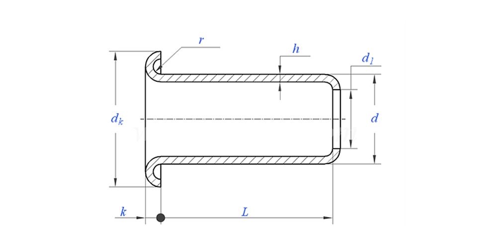
Lukis but melukis seperti di bawah:


Parameter But Eyelets (Spesifikasi)



bahan Loyang, keluli, aluminium, keluli tahan karat, tembaga
Rawatan Permukaan Bersih, penyaduran zink, penyaduran nikel, penyaduran perak, seperti yang diminta
Sijil mematuhi Rohs
Diameter Batang 0.8-10mm
Toleransi +/-0.05mm
Permohonan Sesuai untuk digunakan dalam pelbagai industri, termasuk automotif, aeroangkasa, elektrik dan elektronik, dll.
Kawalan Kualiti 100% pemeriksaan keseluruhan rangkaian melalui pengeluaran memastikan setiap produk memenuhi piawaian ISO, menjamin produk berkualiti tinggi.




Ciri Dan Aplikasi But Eyelets

Anda boleh menemui Boot Eyelets pada pelbagai jenis but. But kerja mempunyai mereka. Kasut mendaki menggunakannya. But tentera juga memerlukannya. Malah but kulit yang bergaya mempunyai Boot Eyelets. Mereka membantu memastikan kaki anda selamat dan selesa. Tanpa Boot Eyelets yang baik, but tidak akan muat dengan betul atau tahan lama.


Butiran Pengeluaran Boot Eyelets


Soalan Lazim:

S1: Apakah MOQ anda untuk eyelet but?

MOQ untuk rivet ialah 20,000pcs.


S2: Bolehkah anda menyesuaikan pembuatan dengan lukisan kami?

Ya, kebanyakan rivet tiub kami dibuat khusus dengan lukisan pelanggan.


S3: Bolehkah anda memberikan sampel percuma rivet berongga?

Kami boleh menyediakan sampel percuma untuk saiz yang kami ada dalam stok, Tetapi pelanggan akan membayar caj Ekspres.


S4: Apakah Masa Penghantaran anda?

Saiz Rivet dalam stok: 3-5days, Rivet bukan standard: 15-25days. Kami akan membuat penghantaran secepat mungkin dengan jaminan kualiti.


S5: Kualiti produk anda?

Syarikat itu mempunyai peralatan pengeluaran dan ujian yang maju.Setiap produk akan diperiksa 100% oleh jabatan QC kami sebelum penghantaran.


S6: Mengapa kami memilih Teknologi Nuote?

1.Kami Nuote menghormati syarat pelanggan untuk melindungi projek privasi pelanggan.

2. Berkualiti tinggi dengan harga yang menarik

3. Masa utama yang cepat

4. Selamat berurusan dan jujur ​​kepada pelanggan dan rakan kongsi

5. Iklan jualan profesional menjawab pertanyaan anda dengan 8 jam.

6. Produk dan perkhidmatan Nuote dijual kepada lebih daripada 70 negara dengan reputasi yang baik


Teg Panas: Kancing But, Kancing But China, Pengeluar Kancing But
Kategori Berkaitan
Hantar Pertanyaan
Sila berasa bebas untuk memberikan pertanyaan anda dalam borang di bawah. Kami akan membalas anda dalam masa 24 jam.
X
Kami menggunakan kuki untuk menawarkan anda pengalaman menyemak imbas yang lebih baik, menganalisis trafik tapak dan memperibadikan kandungan. Dengan menggunakan tapak ini, anda bersetuju dengan penggunaan kuki kami. Dasar Privasi